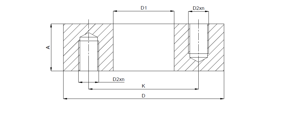
Şema ve Teknik Bilgiler
| DN | A | D | D1 | K | D2xn | D3 | D4 | Ağırlık (Weight)(Kg) |
DN | A | D | D1 | K | D2xn | D3 | D4 | Ağırlık (Weight)(Kg) |
|||
| 15 | PN6 | 20 | 80 | 22 | 55 | M10x4 | 40 | 10 | 1,26 | 125 | PN6 | 25 | 240 | 141,5 | 200 | M16x8 | 60 | 15 | 8,25 | |
| PN10 | 20 | 95 | 22 | 65 | M12x4 | 45 | 12 | 1,50 | PN10 | 25 | 250 | 141,5 | 210 | M16x8 | 60 | 15 | 8,61 | |||
| PN16 | PN16 | |||||||||||||||||||
| 20 | PN6 | 20 | 90 | 27,5 | 65 | M10x4 | 40 | 10 | 1,50 | 150 | PN6 | 30 | 265 | 170,5 | 225 | M16x8 | 60 | 15 | 11,00 | |
| PN10 | 20 | 105 | 27,5 | 75 | M12x4 | 45 | 12 | 1,77 | PN10 | 30 | 285 | 170,5 | 240 | M20x8 | 75 | 15 | 12,00 | |||
| PN16 | PN16 | 75 | 20 | |||||||||||||||||
| 25 | PN6 | 20 | 100 | 34,5 | 75 | M12x4 | 50 | 15 | 1,70 | 200 | PN6 | 30 | 320 | 221,5 | 280 | M16x8 | 60 | 15 | 13,75 | |
| PN10 | 20 | 115 | 34,5 | 85 | M12x4 | 50 | 15 | 2,00 | PN10 | 30 | 340 | 221,5 | 295 | M20x8 | 75 | 20 | 14,80 | |||
| PN16 | PN16 | M20x12 | 15,20 | |||||||||||||||||
| 32 | PN6 | 25 | 120 | 43,5 | 90 | M12x4 | 50 | 15 | 3,00 | 250 | PN6 | 32 | 375 | 276,5 | 335 | M16x12 | 60 | 15 | 20,00 | |
| PN10 | 25 | 140 | 43,5 | 100 | M16x4 | 55 | 15 | 3,60 | PN10 | 32 | 395 | 276,5 | 350 | M20x12 | 75 | 20 | 22,00 | |||
| PN16 | PN16 | 32 | 405 | 276,5 | 355 | M24x12 | 80 | 20 | 23,40 | |||||||||||
| 40 | PN6 | 25 | 130 | 49,5 | 100 | M12x4 | 50 | 15 | 3,40 | 300 | PN6 | 32 | 440 | 327,5 | 395 | M20x12 | 75 | 20 | 26,70 | |
| PN10 | 25 | 150 | 49,5 | 110 | M16x4 | 55 | 15 | 4,00 | PN10 | 32 | 445 | 327,5 | 400 | M20x12 | 75 | 20 | 27,00 | |||
| PN16 | PN16 | 32 | 460 | 327,5 | 410 | M24x12 | 80 | 20 | 28,60 | |||||||||||
| 50 | PN6 | 25 | 140 | 61,5 | 110 | M12x4 | 50 | 15 | 3,90 | 350 | PN6 | 35 | 490 | 359 | 445 | M20x12 | 75 | 20 | 31,85 | |
| PN10 | 25 | 165 | 61,5 | 125 | M16x4 | 55 | 15 | 4,60 | PN10 | 35 | 505 | 359 | 460 | M20x16 | 75 | 20 | 33,00 | |||
| PN16 | PN16 | 35 | 520 | 359 | 470 | M24x16 | 80 | 20 | 36,40 | |||||||||||
| 65 | PN6 | 25 | 160 | 77,5 | 130 | M12x4 | 50 | 15 | 4,70 | 400 | PN6 | 35 | 540 | 411 | 495 | M20x16 | 75 | 20 | 43,00 | |
| PN10 | 25 | 185 | 77,5 | 145 | M16x4 | 60 | 15 | 5,68 | PN10 | 35 | 565 | 411 | 515 | M24x16 | 80 | 20 | 45,50 | |||
| PN16 | PN16 | 35 | 580 | 411 | 525 | M27x16 | 90 | 25 | 47,80 | |||||||||||
| 80 | PN6 | 25 | 190 | 90,5 | 150 | M16x4 | 60 | 15 | 5,80 | 450 | PN6 | 35 | 595 | 462 | 550 | M20x16 | 75 | 20 | 58,00 | |
| PN10 | 25 | 200 | 90,5 | 160 | M16x8 | 60 | 15 | 6,21 | PN10 | 35 | 615 | 462 | 565 | M24x20 | 80 | 20 | 63,00 | |||
| PN16 | PN16 | 35 | 640 | 462 | 585 | M27x20 | 90 | 25 | 74,00 | |||||||||||
| 100 | PN6 | 25 | 210 | 116 | 170 | M16x4 | 60 | 15 | 6,50 | 500 | PN6 | 35 | 645 | 513,5 | 600 | M20x20 | 75 | 20 | 69,00 | |
| PN10 | 25 | 220 | 116 | 180 | M16x8 | 60 | 15 | 6,96 | PN10 | 35 | 670 | 513,5 | 620 | M24x20 | 80 | 20 | 72,00 | |||
| PN16 | PN16 | 35 | 715 | 513,5 | 650 | M30x20 | 115 | 30 | 79,20 | |||||||||||




